OMRON CJ1W-OC211 High-speed Digital Output Unit(16 Points)
Product Specification:
| Name | 16 Point Digital Output Module |
| Model | OMRON CJ1W-OC11 |
| Brand | OMRON |
| Type | High-Speed Digital Output Unit |
| Condition | Fresh and New |
| Response ON time | 15ms Max |
| Response OFF time | 15ms Max |
| Max Switching Capacity | For AC (Current =2A, Voltage=250Volt) For DC(Current=2A, Voltage=24Volt) |
| Min. Switching Capacity | For DC(Current=2mA, Voltage=5Volt) |
|
Relay Operation
|
For the Electrical:{( For Resistive Load Operations 150,000 DC 24Volt ),(For Inductive Load Operations 100,000 AC 240Volt)}
|
| Series | CJ |
| Made in | JAPAN |
| Number of Circuit Input Point | 16 Common |
| Number of Circuit Output Point | 16 relay |
| Current Consumption | 110mA 5 Volt DC,96mA 24 volt DC |
| Supply Voltage | The Supply is 250 Volt |
| Weight | 170g Max |
| Insulation resistance | Between External Terminal And The GR Terminal is 20Mohm |
| Isolation Method | PhotoCoupler |
| Mount | Din Rail |
| Output Current | 2A |
| Terminal | Screw |
| Width | 31mm |
| Depth | 95.4mm |
| Length | 89mm |
| Approvals | CE, UL |
| RoHS | Compliant |
| Number Of Terminal Connector | 1 |
| Detachable Terminal Connector | Yes |
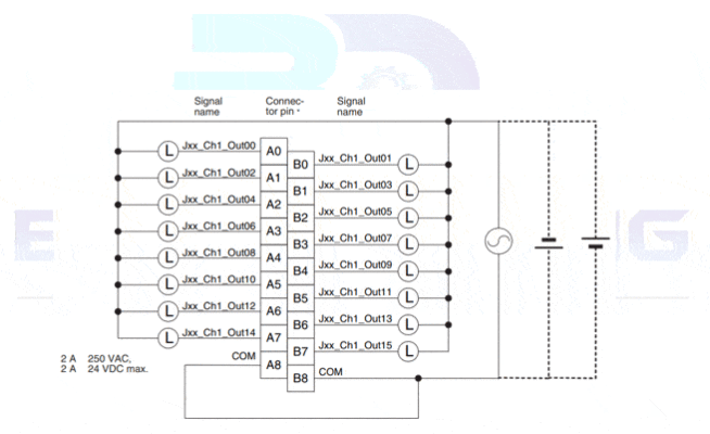
Circuit Configuration:

Internal Connection Circuit Diagram:

| TD200 Text Display | 6ES7 272-0AA30-0YA1 | Made in Germany |
| TD400C Text Display | 6AV6 640-0AA00-0AX1 | Made in Germany |
| SIMATIC OP 73micro, 3″ display, monochrome (for S7-200 only) | 6AV6 640-0BA11-0AX0 | Made in Germany |
| SIMATIC TP 177micro 5.7″ STN display (for S7-200 only) | 6AV6 640-0CA11-0AX1 | Made in Germany |
| SIMATIC HMI KP8 PN | 6AV3 688-3AY36-0AX0 | Made in Germany |
| SIMATIC HMI KP8F PN | 6AV3 688-3AF37-0AX0 | Made in Germany |
| SIMATIC HMI KP32F PN | 6AV3 688-3EH47-0AX0 | Made in Germany |
| SIMATIC KTP400 Basic mono PN, 3.8″ STN Gray Colors (Ethernet); 24VDC Supply | 6AV6 647-0AA11-3AX0 | Made in Germany |
| SIMATIC KTP600 Basic mono PN, 5.7″ STN Gray Colors (Ethernet); 24VDC Supply | 6AV6 647-0AB11-3AX0 | Made in Germany |
| SIMATIC KTP600 Basic color DP, 5.7″ TFT 256 Colors (MPI/DP); 24VDC Supply | 6AV6 647-0AC11-3AX0 | Made in Germany |
| SIMATIC KTP600 Basic color PN, 5.7″ TFT 256 Colors (Ethernet); 24VDC Supply | 6AV6 647-0AD11-3AX0 | Made in Germany |
| SIMATIC KTP1000 Basic color DP, 10.4″ TFT 256 Colors (MPI/DP); 24VDC Supply | 6AV6 647-0AE11-3AX0 | Made in Germany |
| SIMATIC KTP1000 Basic color PN, 10.4″ TFT 256 Colors (Ethernet); 24VDC Supply | 6AV6 647-0AF11-3AX0 | Made in Germany |
| SIMATIC KTP1500 Basic color PN, 15″ TFT 256 Colors (Ethernet); 24VDC Supply | 6AV6 647-0AG11-3AX0 | Made in Germany |
| SIMATIC HMI KTP400 Comfort (Touch & Key) | 6AV2124-2DC01-0AX0 | Made in Germany |
| SIMATIC HMI KTP700 Comfort (Touch) | 6AV2124-0GC01-0AX0 | Made in Germany |
| SIMATIC HMI KTP900 Comfort (Touch) | 6AV2124-0JC01-0AX0 | Made in Germany |
| SIMATIC HMI KTP1200 Comfort (Touch) | 6AV2124-0MC01-0AX0 | Made in Germany |
| SIMATIC HMI KTP1500 Comfort (Touch) | 6AV2124-0QC02-0AX0 | Made in Germany |
| SIMATIC HMI KTP1900 Comfort (Touch) | 6AV2124-0UC02-0AX0 | Made in Germany |
| SIMATIC HMI KTP2200 Comfort (Touch) | 6AV2124-0XC02-0AX0 | Made in Germany |
| SIMATIC HMI KTP400 Comfort (Key) | 6AV2124-1DC01-0AX0 | Made in Germany |
Description: OMRON CJ1W-OC211 High-speed Digital Output Unit(16 Points). It,s Available in Bangladesh.Manufacturer Part OMRON CJ1W-OC11 Output Current 2A.16 Circuit point Common/relay.Made in JAPAN. The module is in good condition.

